NPU Profil
Avrupa Standart Kanal Kirişler
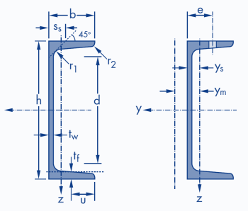
Boyutlar: DIN 1026-1: 2000, NF A 45-202: 1986
Tolerans Değerleri: EN 10279: 2000
Yüzey Durumu: EN 10163-3: 2004 standartına uygun olarak sınıfı C, alt sınıf 1

Boyutlar: DIN 1026-1: 2000, NF A 45-202: 1986
Tolerans Değerleri: EN 10279: 2000
Yüzey Durumu: EN 10163-3: 2004 standartına uygun olarak sınıfı C, alt sınıf 1

UPN Profil Ağırlıkları ve Ölçüleri
| İsim | Ağırlık | Boyutlar | Detaylar | Yüzey | ||||||||||
| G kg/m |
h mm |
b mm |
tw mm |
tf mm |
r1 mm |
r2 mm |
A mm2x102 |
d mm |
Ø | emin mm |
emax mm |
AL m2/m |
AG m2/t |
|
| U 40 x 20* | 2,87 | 40 | 20 | 5 | 5,5 | 5 | 2,5 | 19 | 3,66 | 0,150 | 51,20 | - | - | - |
| U 50 x 25* | 3,86 | 50 | 25 | 5 | 6 | 6 | 3 | 26 | 4,92 | 0,180 | 48,22 | - | - | - |
| U 60 x 30* | 5,07 | 60 | 30 | 6 | 6 | 6 | 3 | 36 | 6,46 | 0,220 | 44,06 | - | - | - |
| U 65 x 42* | 7,09 | 65 | 42 | 5,5 | 7,5 | 7,5 | 4 | 34 | 9,03 | 0,280 | 39,58 | - | - | - |
| UPN 80* | 8,65 | 80 | 45 | 6 | 8 | 8 | 4 | 11,02 | 47 | - | - | - | 0,321 | 37,10 |
| UPN 100* | 10,6 | 100 | 50 | 6 | 8,5 | 8,5 | 4,5 | 13,50 | 64 | - | - | - | 0,372 | 35,10 |
| UPN 120 | 13,4 | 120 | 55 | 7 | 9 | 9 | 4,5 | 17,00 | 82 | - | - | - | 0,434 | 32,52 |
| UPN 140 | 16,0 | 140 | 60 | 7 | 10 | 10 | 5 | 20,40 | 98 | M 12 | 33 | 37 | 0,489 | 30,54 |
| UPN 160 | 18,8 | 160 | 65 | 7,5 | 10,5 | 10,5 | 5,5 | 24,00 | 115 | M 12 | 34 | 42 | 0,546 | 28,98 |
| UPN 180 | 22,0 | 180 | 70 | 8 | 11 | 11 | 5,5 | 28,00 | 133 | M 16 | 38 | 41 | 0,611 | 27,80 |
| UPN 200 | 25,3 | 200 | 75 | 8,5 | 11,5 | 11,5 | 6 | 32,20 | 151 | M 16 | 39 | 46 | 0,661 | 26,15 |
| UPN 220 | 29,4 | 220 | 80 | 9 | 12,5 | 12,5 | 6,5 | 37,40 | 167 | M 16 | 40 | 51 | 0,718 | 24,46 |
| UPN 240 | 33,2 | 240 | 85 | 9,5 | 13 | 13 | 6,5 | 42,30 | 184 | M 20 | 46 | 50 | 0,775 | 23,34 |
| UPN 260 | 37,9 | 260 | 90 | 10 | 14 | 14 | 7 | 48,30 | 200 | M 22 | 50 | 52 | 0,834 | 22,00 |
| UPN 280 | 41,8 | 280 | 95 | 10 | 15 | 15 | 7,5 | 53,30 | 216 | M 22 | 52 | 57 | 0,890 | 21,27 |
| UPN 300 | 46,2 | 300 | 100 | 10 | 16 | 16 | 8 | 58,80 | 232 | M 24 | 55 | 59 | 0,950 | 20,58 |
| UPN 320* | 59,5 | 320 | 100 | 14 | 17,5 | 17,5 | 8,75 | 75,80 | 246 | M 22 | 58 | 62 | 0,982 | 16,50 |
| UPN 350 | 60,6 | 350 | 100 | 14 | 16 | 16 | 8 | 77,30 | 282 | M 22 | 56 | 62 | 1,047 | 17,25 |
| UPN 380* | 63,1 | 380 | 102 | 13,5 | 16 | 16 | 8 | 80,40 | 313 | M 24 | 59 | 60 | 1,110 | 17,59 |
| UPN 400* | 71,8 | 400 | 110 | 14 | 18 | 18 | 9 | 91,50 | 324 | M 27 | 61 | 62 | 1,182 | 16,46 |
| h ≤ 300 | h > 300 | |
| u | b/2 | B - tw/2 |
| Flanş Eğimi | 8% | 5% |



